罐体秤称重传感器, 平台秤称重传感器, 料斗秤称重传感器 皮带秤称重传感器, 叉车秤称重传感器
型号: MLC803K-SQB
类别: 悬臂梁称重传感器
量程:0.25t,0.5t,1.0t,1.5t,2.0t,3.0t,5.0t,10t
安全过载:120%; 极限过载:150%
材质: 合金钢, 不锈钢
特征: 罐体秤称重传感器, 平台秤称重传感器, 料斗秤称重传感器 皮带秤称重传感器, 叉车秤称重传感器
罐体秤称重传感器, 平台秤称重传感器, 料斗秤称重传感器 皮带秤称重传感器, 叉车秤称重传感器
型号: MLC803K | |||||||||||||||||||||||||||||||||||||||||||||||||||||||
![]()
| |||||||||||||||||||||||||||||||||||||||||||||||||||||||
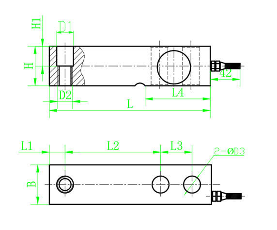
尺寸表(mm)
| |||||||||||||||||||||||||||||||||||||||||||||||||||||||
| 规格参数 | |||||||||||||||||||||||||||||||||||||||||||||||||||||||
| 综合误差: | 0.02%FS | 输出电阻: | 350±3Ω | ||||||||||||||||||||||||||||||||||||||||||||||||||||
| 额定输出: | 2±0.003mV/V; 3±0.003mV/V | 绝缘电阻: | ≥5000MΩ(100VDC) | ||||||||||||||||||||||||||||||||||||||||||||||||||||
| 非线性: | 0.03%FS | 工作电压: | 9~12VDC | ||||||||||||||||||||||||||||||||||||||||||||||||||||
| 滞后: | 0.03%FS | 温度补偿: | -10~+40ºC | ||||||||||||||||||||||||||||||||||||||||||||||||||||
| 重复性: | 0.02%FS | 工作温度: | -20~+55ºC | ||||||||||||||||||||||||||||||||||||||||||||||||||||
| 蠕变: | 0.02%FS/10Min | 温度零点影响: | 0.03%FS/10ºC | ||||||||||||||||||||||||||||||||||||||||||||||||||||
| 零点输出: | ±1%FS | 温度灵敏度影响: | 0.02%FS/10ºC | ||||||||||||||||||||||||||||||||||||||||||||||||||||
| 输入电阻: | 350±5Ω | 防护等级: | IP66 | ||||||||||||||||||||||||||||||||||||||||||||||||||||
应力结构 & 装配参考

上一个: MLC803D-SBY 配料秤称重传感器 下一个: MLC803-SBC 罐体秤称重传感器
深圳市瑞年科技有限公司














