罐体秤称重传感器, 平台秤称重传感器, 料斗秤称重传感器 皮带秤称重传感器, 叉车秤称重传感器
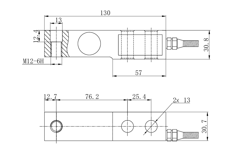
型号:MLC803SBC
类别:剪切梁称重传感器
额定负载:0.1,0.2,0.25,0.3,0.5T
产品尺寸: 130*31.8*31.8mm
安全过载:150%
极限过载:200%
材质:合金钢、不锈钢
适用于:平台秤、给料秤、皮带秤、叉车秤、包装秤、配料秤、工业称重
罐体秤称重传感器, 平台秤称重传感器, 料斗秤称重传感器 皮带秤称重传感器, 叉车秤称重传感器
| 型号:MLC803SBC 类别:剪切梁称重传感器 额定负载:0.1,0.2,0.25,0.3,0.5T 产品尺寸: 130*31.8*31.8mm 安全过载:150% 极限过载:200% 材质:合金钢、不锈钢 适用于:平台秤、给料秤、皮带秤、叉车秤、包装秤、配料秤、工业称重 | |||
![]() | |||
| 技术参数 | |||
| 综合误差: | 0.02%FS | 输出电阻: | 350±10Ω |
| 额定输出: | 2±0.02mv/v | 绝缘电阻: | ≥5000MΩ(100VDC) |
| 非线性: | 0.03%FS | 激励电压: | 9~12VDC |
| 滞后: | 0.03%FS | 补偿温度: | -10~+40 C |
| 重复性: | 0.02%FS | 使用温度: | -20~+55 C |
| 蠕变: | 0.03%FS | 温度对零点影响: | 0.02%FS/10ºC |
| 零点平衡: | ±1%FS | 温度灵敏度影响 | 0.02%FS/10ºC |
| 输入电阻: | 350±10Ω | 防护等级: | IP66防护等级 |
上一个: MLC803K-SQB 罐体秤称重传感器 下一个: MLC813SPI 防水称重传感器
深圳市瑞年科技有限公司













