平台秤称重传感器, 料斗秤称重传感器, 配料秤称重传感器, 包装秤称重传感器
型号: MLC807
类别: 悬臂梁称重传感器
量程: 500,1000,1500,2000, 2500, 3000, 5000kg
安全过载:120%; 极限过载:150%
材质: 合金钢, 不锈钢
特征: 平台秤称重传感器, 料斗秤称重传感器, 配料秤称重传感器, 包装秤称重传感器
产品技术规格
以下规格仅供客户设计参考, 我们可以提供ODM/OEM产品。
平台秤称重传感器, 料斗秤称重传感器, 配料秤称重传感器, 包装秤称重传感器
型号: MLC807 | ||||||||||||
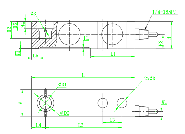
![]() | ||||||||||||
| 尺寸表(mm) | ||||||||||||
| 量程(kg) | L | L1 | L2 | L3 | L4 | L | B | D | d | |||
| 500~2000 | 130 | 54.2 | 15.8 | 25.4 | 76.2 | 15 | 31.8 | 18 | 13.5 | |||
| 2500~5000 | 171.5 | 77.2 | 19.1 | 38.1 | 95.3 | 20.5 | 38.1 | 25 | 19.8 | |||
| 规格参数 | ||||||||||||
| 综合误差: | 0.03%FS | 输出电阻: | 350±3Ω | |||||||||
| 额定输出: | 2±0.003mV/V | 绝缘电阻: | ≥5000MΩ(100VDC) | |||||||||
| 非线性: | 0.03%FS | 工作电压: | 9~12VDC | |||||||||
| 滞后: | 0.03%FS | 温度补偿: | -10~+40ºC | |||||||||
| 重复性: | 0.02%FS | 工作温度: | -20~+55ºC | |||||||||
| 蠕变: | 0.02%FS/10Min | 温度零点影响: | 0.03%FS/10ºC | |||||||||
| 零点输出: | ±1%FS | 温度灵敏度影响: | 0.02%FS/10ºC | |||||||||
| 输入电阻: | 350±5Ω | 防护等级: | IP66 | |||||||||
产品尺寸
应力结构 & 装配参考

上一个: MLC806 配料秤重量传感器 下一个: MLC808-CF 配料秤称重传感器
深圳市瑞年科技有限公司













