平台秤重量传感器, 料斗秤重量传感器, 配料秤重量传感器, 包装秤重量传感器
型号: MLC806
类别: 悬臂梁称重传感器
量程: 100,250,850kg
安全过载:120%; 极限过载:150%
材质: 合金钢, 不锈钢
特征: 平台秤重量传感器, 料斗秤重量传感器, 配料秤重量传感器, 包装秤重量传感器
产品技术规格
以下规格仅供客户设计参考,我们可以提供ODM/OEM产品。
平台秤重量传感器, 料斗秤重量传感器, 配料秤重量传感器, 包装秤重量传感器
型号: MLC806 | |||
![]() | |||
| 规格参数 | |||
| 综合误差: | 0.03%FS | 输出电阻: | 350±3Ω |
| 额定输出: | 2±0.003mV/V | 绝缘电阻: | ≥5000MΩ(100VDC) |
| 非线性: | 0.03%FS | 工作电压: | 9~12VDC |
| 滞后: | 0.03%FS | 温度补偿: | -10~+40ºC |
| 重复性: | 0.02%FS | 工作温度: | -20~+55ºC |
| 蠕变: | 0.02%FS/10Min | 温度零点影响: | 0.03%FS/10ºC |
| 零点输出: | ±1%FS | 温度灵敏度影响: | 0.02%FS/10ºC |
| 输入电阻: | 350±5Ω | 防护等级: | IP66 |
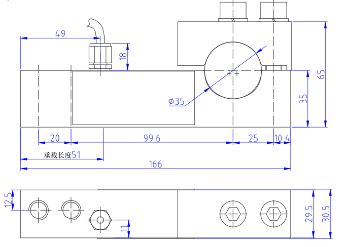
产品尺寸
应力结构 & 装配参考

上一个: MLC805 料斗秤重量传感器 下一个: MLC807 平台秤称重传感器
深圳市瑞年科技有限公司












