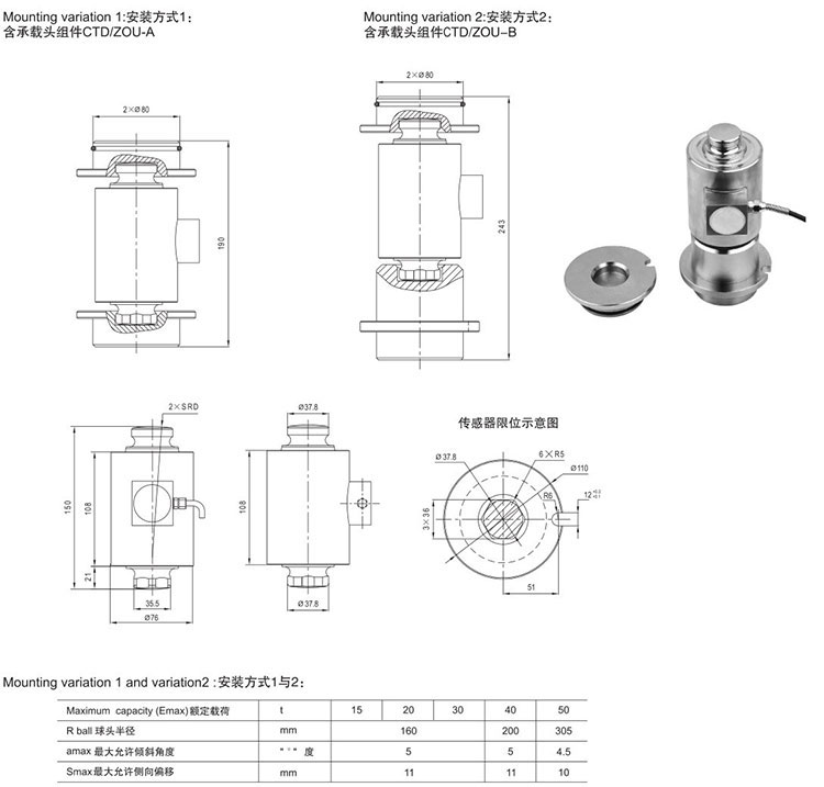
MLC405N 称重桥重量传感器
MLC400-WT 称重桥称重传感器 称重传感器 2864
汽车衡重量传感器, 轨道秤重量传感器, 电子地磅重量传感器,称重桥重量传感器
型号: MLC405N
类别: 压力称重传感器
量程: 10t,15t,20t,25t,30t,40t,50t
尺寸: 85*150mm
材质: 合金钢, 不锈钢
特征: 汽车衡重量传感器, 轨道秤重量传感器, 电子地磅重量传感器,称重桥重量传感器
如果您完成了表格,请发送至admin@manyyear.com。 我们将在 24 小时内回复您.
深圳市瑞年科技有限公司

















