MLC204E15 微型纽扣式测力传感器
MLC204E15机器人 智能开关 微型测力 纽扣式微型测力传感器200kg
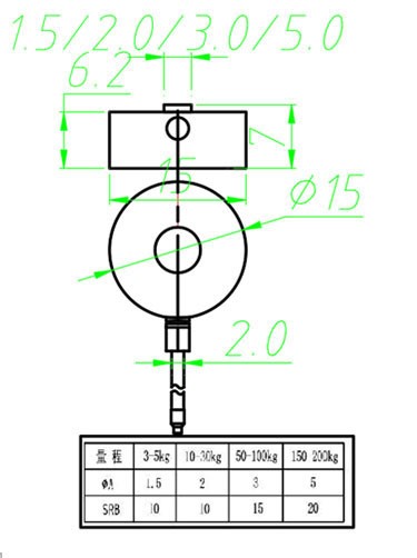
型号: MLC204E15
类别: 纽扣式称重传感器
量程: 3,5,10,30,50,100,150,200kg
尺寸:φ15*7mm
材质: 不锈钢
安全过载:150% F.S
极限过载:200% F.S
应用: 机器人 智能开关 微型测力
如果您完成了表格,请发送至admin@manyyear.com。 我们将在 24 小时内回复您.

型号: MLC204E15
类别: 纽扣式称重传感器
量程: 3,5,10,30,50,100,150,200kg
尺寸:φ15*7mm
材质: 不锈钢
安全过载:150% F.S
极限过载:200% F.S
应用: 机器人 智能开关 微型测力
如果您完成了表格,请发送至admin@manyyear.com。 我们将在 24 小时内回复您.